Топливный насос и топливный фильтр Toyama F6ABMS

Топливный насос и топливный фильтр Toyama F6ABMS

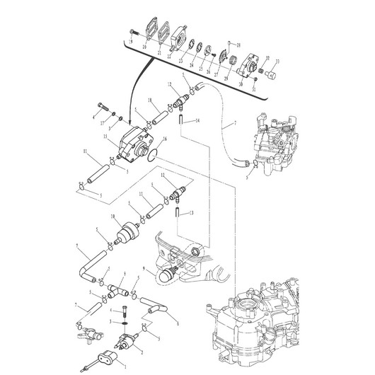
АртикулФотоНазваниеЦенаКупить
Позиция на схеме: 2Артикул: F4-05000200
Быстрый просмотр
Коннектор топливный Toyama F5BMS, Toyama F15BMS, Toyama T15BMSЦена 1 149 р. В корзину
Позиция на схеме: 9Артикул: F6-05010000
Быстрый просмотр
Насос топливный ручной F6ABMSЦена 1 779 р. В корзину
Позиция на схеме: 10Артикул: F4-05000300
Быстрый просмотр
Фильтр топливный Toyama T5BMS, Toyama T9.8BMSЦена 99 р. В корзину
Позиция на схеме: 15Артикул: F4-04090000
Быстрый просмотр
Насос топливный Toyama F5BMSЦена 1 685 р. В корзину
Позиция на схеме: 21Артикул: F4-04090004
Быстрый просмотр
Мембрана топливного насоса верхняя Toyama F5BMSЦена 295 р. В корзину
Работаем с 2009 года
например, стартер 240
848 товаров в магазине

Колл-центр

ПН-ПТ 10:00 - 18:00
СБ-ВС Выходной


время работы: ПН-ПТ 10:00 - 18:00, СБ-ВС Выходной

Меню

Каталог

Добавьте в корзину

Товар добавлен в корзину!