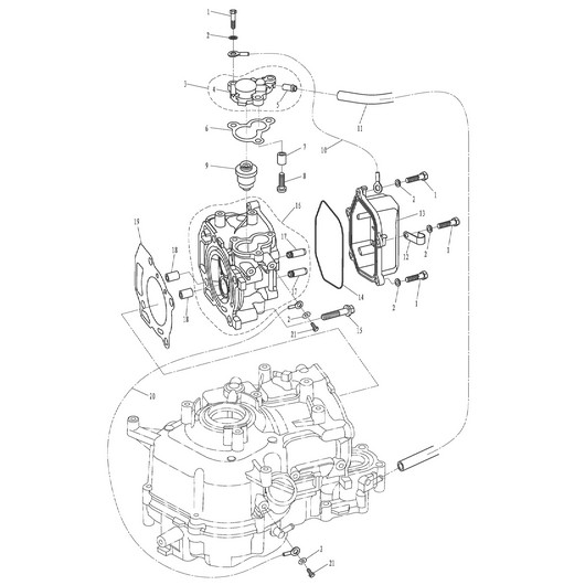
Цилиндр Toyama F6ABMS

Цилиндр Toyama F6ABMS

АртикулФотоНазваниеЦенаКупить
Позиция на схеме: 6Артикул: F4-04000011
Быстрый просмотр
Прокладка крышки термостата Toyama F5BMS, F6ABMSЦена 179 р. В корзину
Позиция на схеме: 9Артикул: F15-07000031
Быстрый просмотр
Термостат Toyama F9.8BMS, Toyama F15BMSЦена 615 р. В корзину
Позиция на схеме: 14Артикул: F6-04000005
Быстрый просмотр
Кольцо уплотнительное крышки клапанов F6ABMSЦена 165 р. В корзину
Позиция на схеме: 19Артикул: F6-04000002
Быстрый просмотр
Прокладка головки цилиндра F6ABMSЦена 749 р. В корзину
Работаем с 2009 года
например, стартер 255
847 товаров в магазине

Колл-центр

ПН-ПТ 10:00 - 18:00
СБ-ВС Выходной


время работы: ПН-ПТ 10:00 - 18:00, СБ-ВС Выходной

Меню

Каталог

Добавьте в корзину

Товар добавлен в корзину!