Прокладки и редуктор Toyama F5BMS

Прокладки и редуктор Toyama F5BMS

АртикулФотоНазваниеЦенаКупить
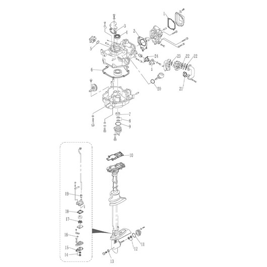
Позиция на схеме: 1Артикул: F4-04000017
Быстрый просмотр
Прокладка F5BMS крышки клапановЦена 285 р. В корзину
Позиция на схеме: 2Артикул: F4-04000014
Быстрый просмотр
Прокладка головки цилиндра Toyama F20ABMSЦена 445 р. В корзину
Позиция на схеме: 3Артикул: F4-04000009
Быстрый просмотр
Прокладка крышки маслоотделителя Toyama F5BMSЦена 205 р. В корзину
Позиция на схеме: 4Артикул: F4-04010004
Быстрый просмотр
Сальник 25х40х5 коленвала Toyama F5BMSЦена 319 р. В корзину
Позиция на схеме: 6Артикул: F4-04000002
Быстрый просмотр
Прокладка крышки картера Toyama F5BMSЦена 445 р. В корзину
Позиция на схеме: 7Артикул: F2.6-04010001
Быстрый просмотр
Сальник 20х30х7 коленвала Toyama T2.6CBMSЦена 285 р. В корзину
Позиция на схеме: 8Артикул: F4-04060004
Быстрый просмотр
Сальник 10,8х21х7 приводного вала верхний Toyama F5BMS замена на F6-04080001
Посмотреть аналог
Цена 185 р. В корзину
Позиция на схеме: 10Артикул: F4-00000006
Быстрый просмотр
Прокладка двигателя Toyama F5BMSЦена 429 р. В корзину
Позиция на схеме: 12Артикул: F4-03050002
Быстрый просмотр
Сальник горизонтального вала 13х22х7 Toyama F5BMSЦена 219 р. В корзину
Позиция на схеме: 13Артикул: F4-03000024
Быстрый просмотр
Кольцо пробки редуктора Toyama F5BMS, F9.8BMS, Toyama F15BMS, Toyama T2.6CBMS, Toyama T5BMS, Toyama T9.8BMS, Toyama T15BMSЦена 45 р. В корзину
Позиция на схеме: 14Артикул: F4-03000027
Быстрый просмотр
Сальник 10,8х21х7 приводного вала Toyama F5BMSЦена 175 р. Уведомить
Позиция на схеме: 15Артикул: F4-03000011
Быстрый просмотр
Прокладка основания помпы Toyama F5BMSЦена 189 р. В корзину
Позиция на схеме: 16Артикул: F2.6-03000009
Быстрый просмотр
Кольцо уплотнительное основания помпы Toyama TC3.6BMS - F2.6-03000009Цена 45 р. В корзину
Позиция на схеме: 17Артикул: F4-03060000
Быстрый просмотр
Крыльчатка помпы Toyama F5BMSЦена 269 р. В корзину
Позиция на схеме: 18Артикул: F4-03000018
Быстрый просмотр
Прокладка помпы Toyama F5BMSЦена 155 р. В корзину
Позиция на схеме: 19Артикул: F4-03000021
Быстрый просмотр
Уплотнение водяной трубки нижнее Toyama TC3.6BMS, Toyama F5BMSЦена 79 р. В корзину
Позиция на схеме: 21Артикул: F4-04000022
Быстрый просмотр
Прокладка F5BMS впускного коллектораЦена 119 р. В корзину
Позиция на схеме: 22Артикул: F4-04000024
Быстрый просмотр
Прокладка под карбюратор Toyama F5BMSЦена 35 р. В корзину
Позиция на схеме: 24Артикул: F4-04000011
Быстрый просмотр
Прокладка крышки термостата Toyama F5BMS, F6ABMSЦена 179 р. В корзину
Работаем с 2009 года
например, фильтр 142
848 товаров в магазине

Колл-центр

ПН-ПТ 10:00 - 18:00
СБ-ВС Выходной


время работы: ПН-ПТ 10:00 - 18:00, СБ-ВС Выходной

Меню

Каталог

Добавьте в корзину

Товар добавлен в корзину!