Желоб, рычаг поворота желоба и кожух шнеков Champion ST861

Желоб, рычаг поворота желоба и кожух шнеков Champion ST861

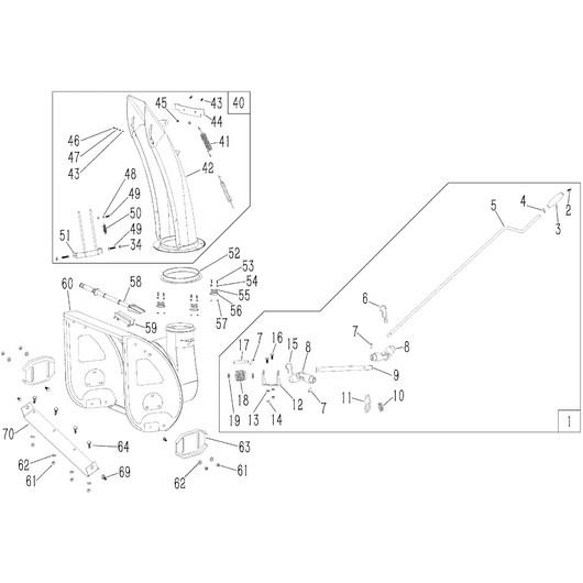
АртикулФотоНазваниеЦенаКупить
Позиция на схеме: 3Артикул: SJ-018
Быстрый просмотр
Ручка рычага поворота желоба ST556 ST656 ST861 ST861E ST861BS ST1170BS ST1170E STT1170E ST1376 С3060Цена 485 р. В корзину
Позиция на схеме: 5Артикул: NF-SX-11-075-1
Быстрый просмотр
Рычаг поворота желоба ST861BS, 1170E, 1170BS / STT1170E, 1376Е верхняя половинаЦена 589 р. В корзину
Позиция на схеме: 6Артикул: AE-02-01-20
Быстрый просмотр
Шплинт рычага поворота желоба ST861BS, 1170E, 1376ЕЦена 39 р. В корзину
Позиция на схеме: 7Артикул: 1024043103
Быстрый просмотр
Штифт пружинный 4х18 ST655 ST861Цена 39 р. В корзину
Позиция на схеме: 8Артикул: SX-11-257
Быстрый просмотр
Кардан соединительный рычага поворота желоба ST861BS, 1170E, 1170BS, STT1170E, 1376ЕЦена 75 р. В корзину
Позиция на схеме: 10Артикул: SJ-239
Быстрый просмотр
Втулка кроншт. пов. желоба ⌀16/20 ST656BS,(T)761Е(BS),762Е верх / ST861(E),(T)1170E(BS),1376E низ, CHAMPIONЦена 39 р. В корзину
Позиция на схеме: 11Артикул: SX-11-02-01-19
Быстрый просмотр
Кронштейн крепления рычага поворота желоба ST861(E), ST1170 STT1170E STT1171E ST1376EЦена 149 р. В корзину
Позиция на схеме: 14Артикул: NHLN-8
Быстрый просмотр
Гайка крепления ролика натяжения ремня шнеков ST861 M8Цена 85 р. В корзину
Позиция на схеме: 17Артикул: SX-11-84-3
Быстрый просмотр
Ось червяка поворота желоба ST861 ST861E ST861BS ST1170E STT1170E STT1171E ST1376EЦена 295 р. В корзину
Позиция на схеме: 18Артикул: SX-11-255-2
Быстрый просмотр
Червяк рычага поворота желоба ST861 ST861E ST1170E ST1170BS STT1170E ST1376Е посадка под D- 10 мм валЦена 515 р. В корзину
Позиция на схеме: 19Артикул: SX-11-259-1
Быстрый просмотр
Шайба червяка рычага поворота желоба ST861BS, 1170E, 1170BS, STT1170E, 1376ЕЦена 39 р. В корзину
Позиция на схеме: 41Артикул: SJ-226
Быстрый просмотр
Пружина козырька желоба ST656, 656BS, 761E, 762Е, 861BS, 1170E / STT1170E L-105ммЦена 185 р. В корзину
Позиция на схеме: 42Артикул: 031071600
Быстрый просмотр
Желоб для выброса снега ST656BS ST761Е ST762Е ST861 ST861BS STT1170Е ST1170Е ST1170BS ST1376Е Цена 3 455 р. Уведомить
Позиция на схеме: 44Артикул: SX-11-400
Быстрый просмотр
Прокладка козырька желоба ST556 - ST1376 /C3060Цена 85 р. Уведомить
Позиция на схеме: 50Артикул: SJ-036
Быстрый просмотр
Пружина рассекателя снега ST556 ST656 ST656BS STT761Е ST761E ST762Е ST861(E)(BS), ST(T)1170(1)(E)(BS), ST1376Е C3060Цена 85 р. В корзину
Позиция на схеме: 52Артикул: SJ-237
Быстрый просмотр
Кольцо уплотнительное желоба ST656BS, 761Е, 762Е, 861BS, 1170E, 1170BS / STT1170E, 1376ЕЦена 115 р. В корзину
Позиция на схеме: 55Артикул: SJ-021B
Быстрый просмотр
Прокладка поворотного кольца желоба ST656, 656BS, 761Е, 762Е, 861BS, 1170E, 1170BS / STT1170E, 1376Е верхняяЦена 75 р. В корзину
Позиция на схеме: 56Артикул: SJ-021
Быстрый просмотр
Прокладка поворотного кольца желоба ST656, 656BS, 761Е, 762Е, 861BS, 1170E, 1170BS / STT1170E, 1376Е нижняяЦена 75 р. В корзину
Позиция на схеме: 58Артикул: KC55-24
Быстрый просмотр
Лопатка для очистки желоба ST553, 661, 662ЕЦена 315 р. Уведомить
Позиция на схеме: 59Артикул: KC55-01-21
Быстрый просмотр
Кронштейн крепления лопатки ST(крепление саморезами ST4.2X9.5)Цена 75 р. В корзину
Позиция на схеме: 60Артикул: SJ-104-3
Быстрый просмотр
Кожух шнеков ST761E, 762Е, 861BSЦена 17 845 р. В корзину
Позиция на схеме: 63Артикул: SJ-111
Быстрый просмотр
Полозок кожуха шнеков (1шт.) ST656, 656BS, 761Е, 762E, 861BS, 1170E, 1170BS / STT1170E, 1376ЕЦена 545 р. В корзину
Позиция на схеме: 70Артикул: SJ-006-1
Быстрый просмотр
Накладка кожуха шнеков ST761E ST762Е ST861BS - SJ-006-1Цена 1 099 р. В корзину
Позиция на схеме: 12Артикул: SX-11-259-2
Быстрый просмотр
Кронштейн крепления червяка поворота желоба ST861 ST861E ST1170E ST1170BS STT1170E STT1171E ST1376EЦена 359 р. В корзину
Работаем с 2009 года
например, цилиндр 138
848 товаров в магазине

Колл-центр

ПН-ПТ 10:00 - 18:00
СБ-ВС Выходной


время работы: ПН-ПТ 10:00 - 18:00, СБ-ВС Выходной

Меню

Каталог

Добавьте в корзину

Товар добавлен в корзину!