Ремни и шкивы Champion ST1376E

Ремни и шкивы Champion ST1376E

АртикулФотоНазваниеЦенаКупить
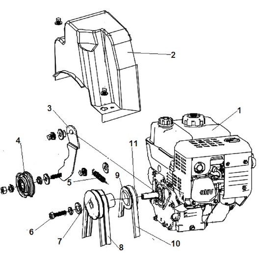
Позиция на схеме: 2Артикул: SX-11-180
Быстрый просмотр
Кожух ремней ST861BS, STT1170EЦена 485 р. В корзину
Позиция на схеме: 2Артикул: STG1170-180
Быстрый просмотр
Кожух ремней ST1170E, 1376EЦена 575 р. В корзину
Позиция на схеме: 4Артикул: SX-11-170
Быстрый просмотр
Ролик натяжения ремня ST556, 655, 656, 656BS, 761E, 762E, 861BS, 1170E, STT1170E, 1376Е, GS5562Цена 465 р. В корзину
Позиция на схеме: 7Артикул: AE-02-04-10
Быстрый просмотр
Шкив ремня привода шнека ST1170E, 1376Е на двигательЦена 859 р. В корзину
Позиция на схеме: 8Артикул: 4LXA-960
Быстрый просмотр
Ремень привода шнека ST1170E, ST1170BS, 1376Е 13x960Цена 2 029 р. В корзину
Позиция на схеме: 10Артикул: TB-5Mx825
Быстрый просмотр
Ремень привода хода ST861, 861BS (после 2014г.), 1170E, STT1170E, ST1170BS, 1376Е 5Мх825Цена 1 659 р.
Позиция на схеме: 11Артикул: SX-11-168B-14
Быстрый просмотр
Шкив ремня привода хода ST1170E, STT1170E, 1376Е на двигательЦена 925 р. В корзину
Работаем с 2009 года
например, стартер 142
847 товаров в магазине

Колл-центр

ПН-ПТ 10:00 - 18:00
СБ-ВС Выходной


время работы: ПН-ПТ 10:00 - 18:00, СБ-ВС Выходной

Меню

Каталог

Добавьте в корзину

Товар добавлен в корзину!