Насос, крыльчатка и рама мотопомпы Champion GTP80

Насос, крыльчатка и рама мотопомпы Champion

АртикулФотоНазваниеЦенаКупить
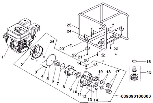
Позиция на схеме: 0Артикул: 39090100000
Быстрый просмотр
Корпус помпы в сборе GTP80 замена на 039091300000
Посмотреть аналог
Цена 17 555 р.
Позиция на схеме: 2Артикул: 39090100100
Быстрый просмотр
Корпус помпы GTP80,DTP81E сторона двигателя до серийного номера 18040001/18020001Цена 4 795 р.
Позиция на схеме: 5Артикул: 39090100400
Быстрый просмотр
Кольцо уплотнительное корпуса помпы GTP80,DTP81E 265х5,3Цена 179 р.
Позиция на схеме: 6Артикул: 39090100500
Быстрый просмотр
Крыльчатка помпы GTP80,DTP81E до серийного номера 18040001/18020001 Замена на!Цена 2 145 р.
Позиция на схеме: 7Артикул: 039090100700
Быстрый просмотр
Кольцо уплотнительное корпуса крыльчатки GTP80,DTP81EЦена 139 р. В корзину
Позиция на схеме: 8Артикул: 39090100601
Быстрый просмотр
Корпус крыльчатки GTP80, DTP81E нового образца ( 039090100600)Цена 3 855 р.
Позиция на схеме: 9Артикул: 039090100900
Быстрый просмотр
Клапан помпы GTP80, 82, DTP81E обратный замена на 3050008000701
Посмотреть аналог
Цена 669 р. В корзину
Позиция на схеме: 11Артикул: 039090100800
Быстрый просмотр
Корпус помпы GTP80, DTP81E сторона фланцевЦена 10 805 р. В корзину
Позиция на схеме: 12Артикул: 039090101600
Быстрый просмотр
Болт корпуса помпы GTP80, 82, DTP81E Т-образныйЦена 355 р. В корзину
Позиция на схеме: 13Артикул: 039090101000
Быстрый просмотр
Кольцо уплотнительное пробки сливной / заливной GP40, 40-II, GP50-100E / GTP80, 82, 101, DTP81E 32х25, 8х4, 2Цена 75 р. В корзину
Позиция на схеме: 14Артикул: 660240001-0001
Быстрый просмотр
Пробка насоса GP50-100 (без уплотнительного кольца) - 660240001-0001Цена 39 р. В корзину
Позиция на схеме: 17Артикул: 039030102100
Быстрый просмотр
Патрубок рукава GP80, GTP80, GTP82, DTP81E входной / выходнойЦена 215 р. В корзину
Позиция на схеме: 18Артикул: 39090101200
Быстрый просмотр
Кольцо уплотнительное патрубка рукава GTP80, 81, 82, DTP81E замена на 039030102000Цена 59 р.
Позиция на схеме: 19Артикул: 039030102203
Быстрый просмотр
Гайка фланца GTP80H, DTP80E, DTP81E мелкая резьба / / GTP82 до 10.2014гЦена 885 р. В корзину
Позиция на схеме: 22Артикул: 029910100100
Быстрый просмотр
Виброизолятор GTP80H, GHP40-2 под двигательЦена 165 р. В корзину
Позиция на схеме: 26Артикул: 039090100300
Быстрый просмотр
Сальник крыльчатки GTP80 до с/н 18040000 DTP81E до с/н 18020000 (до 2019 года)Цена 3 285 р. В корзину
Позиция на схеме: 3Артикул: 039091300200
Быстрый просмотр
Сальник крыльчатки GTP80 с 2018 - 039091300200Цена 3 285 р. В корзину
Позиция на схеме: 0Артикул: 032110100001
Быстрый просмотр
Рама GTP80Цена 4 945 р. В корзину
Работаем с 2009 года
например, коленвал 245
847 товаров в магазине

Колл-центр

ПН-ПТ 10:00 - 18:00
СБ-ВС Выходной


время работы: ПН-ПТ 10:00 - 18:00, СБ-ВС Выходной

Меню

Каталог

Добавьте в корзину

Товар добавлен в корзину!