Редуктор и штанга Champion T438S-2

Редуктор и штанга Champion T438S-2

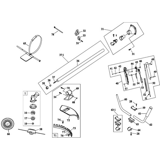
АртикулФотоНазваниеЦенаКупить
Позиция на схеме: 1Артикул: E4
Быстрый просмотр
Редуктор для триммера (26 мм, 9 зубьев) T256 - T528 - E4
Посмотреть аналог
Цена 2 769 р. В корзину
Позиция на схеме: 16Артикул: 02020100040
Быстрый просмотр
Шайба редуктора защитная T233-517, 276-527Цена 145 р. В корзину
Позиция на схеме: 17Артикул: 02020100045
Быстрый просмотр
Шайба ножа прижимная T233-517, 276-527Цена 129 р. В корзину
Позиция на схеме: 19Артикул: 04040401007
Быстрый просмотр
Гайка крепления ножа T394FS-2 M10x1.25L самоконтрящаяся см.1700026
Посмотреть аналог
Цена 35 р. В корзину
Позиция на схеме: 21Артикул: 61270020002
Быстрый просмотр
Корпус сцепления T334-516 в сбореЦена 2 329 р. В корзину
Позиция на схеме: 31Артикул: 03010010060
Быстрый просмотр
Винт крепления корпуса сцепления T437,517 (М6*1,0*20)Цена 29 р. В корзину
Позиция на схеме: 32Артикул: 70030180133
Быстрый просмотр
Кронштейн крепления ремня T276-527Цена 89 р. В корзину
Позиция на схеме: 33Артикул: 70030160007
Быстрый просмотр
Фиксатор кронштейна ремня T334-517Цена 135 р. В корзину
Позиция на схеме: 36Артикул: 02010010091
Быстрый просмотр
Штанга T337, 417, 437, 517 26х1, 5х1500 цельная пустаяЦена 815 р. Уведомить
Позиция на схеме: 37Артикул: 02020060017
Быстрый просмотр
Вал штанги T233, 334-517, 347, 447, 527 8х1534 мм неразъёмныйЦена 425 р. В корзину
Позиция на схеме: 37Артикул: 1700036
Быстрый просмотр
Штанга для мотокос цельная с валом (152 см, 26 мм, 9 зубьев)Цена 895 р. В корзину
Позиция на схеме: 38Артикул: 143112310
Быстрый просмотр
Втулка вала штанги 252, 256, 333, 433, 523, SRM-2510
Посмотреть аналог
Цена 45 р. В корзину
Позиция на схеме: 39Артикул: 143112330
Быстрый просмотр
Амортизатор втулки вала штанги T252, 256, 333, 433, 523 / T233-517, 276-527, SRM-2510Цена 35 р. В корзину
Позиция на схеме: 40Артикул: 325090247
Быстрый просмотр
Рукоятка управления T338, 438, 528 комплектЦена 509 р. В корзину
Позиция на схеме: 50Артикул: 02050040048
Быстрый просмотр
Трос газа T265-517, 276-527 замена на 02050040001Цена 165 р. В корзину
Позиция на схеме: 53Артикул: 02050050296
Быстрый просмотр
Выключатель T334-517 с проводамиЦена 209 р. Уведомить
Позиция на схеме: 60Артикул: 02020160596
Быстрый просмотр
Рукоятка трубчатая T276-527 правая половина серая
Посмотреть аналог
Цена 279 р. В корзину
Позиция на схеме: 61Артикул: 02080020123
Быстрый просмотр
Ручка левой трубчатой рукоятки T266, 334-517Цена 85 р. В корзину
Позиция на схеме: 62Артикул: 02020160595
Быстрый просмотр
Рукоятка трубчатая T276-527 левая половина серая см.02020160462
Посмотреть аналог
Цена 235 р. В корзину
Позиция на схеме: 63Артикул: 1700006
Быстрый просмотр
Кронштейн крепления руля для мотокос 26 мм (комплект)
Посмотреть аналог
Цена 205 р. В корзину
Позиция на схеме: 69Артикул: 143117910
Быстрый просмотр
Кронштейн крепления защитного кожуха T256, 333, 433, 523 / 263-516Цена 219 р. В корзину
Позиция на схеме: 71Артикул: P1
Быстрый просмотр
Кожух защитный T256, 333, 433, 523 комплект с кронштейном
Посмотреть аналог
Цена 655 р. В корзину
Позиция на схеме: 75Артикул: 143117210
Быстрый просмотр
Фартук T256, 333, 433, 523 защитного кожухаЦена 205 р. В корзину
Позиция на схеме: 77Артикул: 02020070102
Быстрый просмотр
Нож защитного кожуха T233, 276-527, 266-T517, T334FS для обрезки кордаЦена 115 р. В корзину
Позиция на схеме: 27Артикул: 1700028
Быстрый просмотр
Корпус сцепления в сборе на 9 зубьев для мотокос 33, 43, 52 куб. см - 1700028Цена 815 р. В корзину
Позиция на схеме: 3Артикул: CG415D11
Быстрый просмотр
Барабан сцепления T333-528 (S) - 2 T334FS T374FS Т394FS - CG415D11Цена 209 р. В корзину
Работаем с 2009 года
например, магнето 120T
848 товаров в магазине

Колл-центр

ПН-ПТ 10:00 - 18:00
СБ-ВС Выходной


время работы: ПН-ПТ 10:00 - 18:00, СБ-ВС Выходной

Меню

Каталог

Добавьте в корзину

Товар добавлен в корзину!