Детали двигателя Champion T438S-2

Детали двигателя Champion T438S-2

АртикулФотоНазваниеЦенаКупить
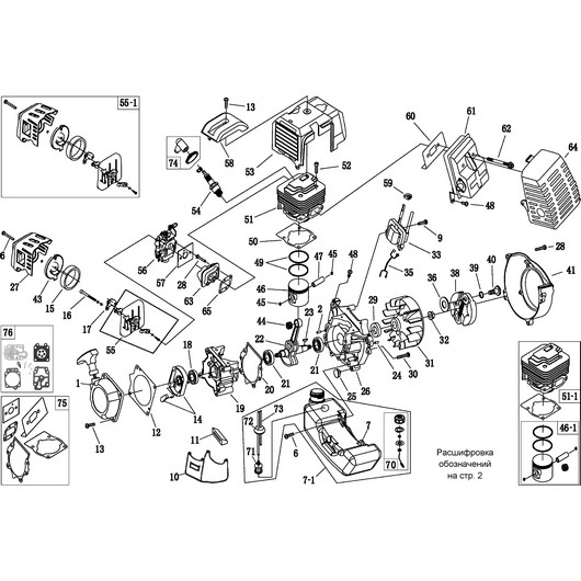
Позиция на схеме: 1Артикул: 02050070030
Быстрый просмотр
Стартер в сборе T334 - T528, AG243, AG252 - 02050070030
Посмотреть аналог
Цена 1 115 р. Уведомить
Позиция на схеме: 7Артикул: 70050030071
Быстрый просмотр
Бак топливный T434, T514, T438 (до 2024) T528 (до 2024) - 70050030071Цена 339 р. В корзину
Позиция на схеме: 7Артикул: 1700046
Быстрый просмотр
Бак топливный в сборе для мотокос 43, 52 куб. см на два винтаЦена 415 р. В корзину
Позиция на схеме: 10Артикул: 02020160432
Быстрый просмотр
Защита топливного бака GC243, T436, T436, T437, T438S-2, T516, T517, T528S-2 - 02020160432Цена 239 р. В корзину
Позиция на схеме: 11Артикул: 32200025
Быстрый просмотр
Прокладка опоры топливного бака AG352, GC243, T338, T437, T438, T517, T528 сторона стартераЦена 19 р. В корзину
Позиция на схеме: 12Артикул: 31200081
Быстрый просмотр
Прокладка стартера Т334-528 - 31200081Цена 29 р. В корзину
Позиция на схеме: 14Артикул: 02050100006
Быстрый просмотр
Плата собачек стартера T334 - T527 - 02050100006Цена 195 р. В корзину
Позиция на схеме: 15Артикул: 31200033
Быстрый просмотр
Фильтр воздушный AG352 T338 T438 T528 (аналог см артикул - 043153210)Цена 69 р. В корзину
Позиция на схеме: 18Артикул: 03100010032
Быстрый просмотр
Сальник 12х22х7 коленвала T233 ,261-527 / GC243 / AG243, 252 / HT625R, 726R / PP126 / GP25-II, 26-II cм.980122207
Посмотреть аналог
Цена 45 р. В корзину
Позиция на схеме: 19Артикул: 31300004
Быстрый просмотр
Картер сторона стартера T438,528Цена 375 р. В корзину
Позиция на схеме: 20Артикул: 31400016
Быстрый просмотр
Прокладка картера T438,528Цена 39 р. В корзину
Позиция на схеме: 21Артикул: 04035303008
Быстрый просмотр
Подшипник 6202 коленвала 55, 245, 250, 251, 254, 256, 350, 362, T434-516, 446-527, AG243, 252, GC243
Посмотреть аналог
Цена 129 р. В корзину
Позиция на схеме: 22Артикул: 043222000
Быстрый просмотр
Коленвал T433 / T434, 436, 445, 446, 447 / GC243 / AG243
Посмотреть аналог
Цена 1 475 р. В корзину
Позиция на схеме: 23Артикул: 951103130
Быстрый просмотр
Шпонка маховика T233, 333, 433, 433S, 523, 523S, GP26-II, 27-II, GBR357, 376 / PS242, 257 / GC243E 3х5х13Цена 25 р. Уведомить
Позиция на схеме: 26Артикул: 31300010
Быстрый просмотр
Картер сторона маховика T438,528Цена 479 р. В корзину
Позиция на схеме: 27Артикул: 043153510
Быстрый просмотр
Крышка воздушного фильтра AG352 (T438 T528 до 2024 года)Цена 195 р. В корзину
Позиция на схеме: 29Артикул: 980153007
Быстрый просмотр
Сальник 15х30х7 коленвала T433-527 / S, GP27-II, AG242, 252, 352 / GC243, 243E / PS242 сторона маховика
Посмотреть аналог
Цена 39 р. В корзину
Позиция на схеме: 31Артикул: 043241110
Быстрый просмотр
Маховик T433, 433S, 523, 523S / T434-527 / GC243, 252, AG243, AG252, 352Цена 779 р. В корзину
Позиция на схеме: 32Артикул: 20300027
Быстрый просмотр
Гайка крепления маховика T252-528 М8х1,25Цена 19 р. В корзину
Позиция на схеме: 33Артикул: 31500008
Быстрый просмотр
Магнето AG352 T438 528 LMH4412 (аналог см артикул - 043141200)
Посмотреть аналог
Цена 639 р. В корзину
Позиция на схеме: 38Артикул: 1700030
Быстрый просмотр
Сцепление для мотокос 33, 43, 52 куб. см
Посмотреть аналог
Цена 215 р. В корзину
Позиция на схеме: 39Артикул: 04040209001
Быстрый просмотр
Шайба болта крепления сцепления T333 - T528, T394FS-2, GC243E, GC252, LMH4412 10x16x0,5x2 - 04040209001Цена 25 р. В корзину
Позиция на схеме: 40Артикул: 04040110002
Быстрый просмотр
Болт крепления сцепления T394FS-2 с упором
Посмотреть аналог
Цена 35 р. В корзину
Позиция на схеме: 41Артикул: 31300064
Быстрый просмотр
Крышка сцепления T438,528Цена 325 р. В корзину
Позиция на схеме: 44Артикул: 971114154
Быстрый просмотр
Подшипник игольчатый поршневого пальца T523, 523S, AG252, 352, 364 / T514, 516, 517, 527 / GBR376 10х14х15
Посмотреть аналог
Цена 159 р. В корзину
Позиция на схеме: 45Артикул: 02020030014
Быстрый просмотр
Кольцо стопорное поршневого пальца T434, 436, 437, 514, 517, 525, PS242, GC243EЦена 19 р. Уведомить
Позиция на схеме: 46Артикул: 043221000
Быстрый просмотр
Поршень 40 мм T433 комплектЦена 585 р. Уведомить
Позиция на схеме: 47Артикул: 164301047
Быстрый просмотр
Палец поршня T434, 436, 437, PS242, GC243EЦена 69 р. В корзину
Позиция на схеме: 49Артикул: 02020020008
Быстрый просмотр
Кольцо поршневое 40х1, 5 T433, 434, 436, 437, 445, 446, 447 / GC243, 243E, AG243, PS242Цена 59 р. В корзину
Позиция на схеме: 50Артикул: 02070010037
Быстрый просмотр
Прокладка цилиндра T433 - T528S-2 - 02070010037
Посмотреть аналог
Цена 35 р. В корзину
Позиция на схеме: 51Артикул: 43212110
Быстрый просмотр
Цилиндр T433Цена 1 195 р.
Позиция на схеме: 51Артикул: 02060050020
Быстрый просмотр
Поршневая группа T434- 447 замена на артикул 043112300Цена 2 159 р. Уведомить
Позиция на схеме: 52Артикул: 0404010402357
Быстрый просмотр
Болт крепления цилиндра 125, 137, 142, 237, 241, 246, 55, 250, 251, 256, 350, 362 М5х20 см. 5010080522
Посмотреть аналог
Цена 35 р. В корзину
Позиция на схеме: 53Артикул: 31204109
Быстрый просмотр
Крышка цилиндра T438, T528 до 2024 г. - 31204109Цена 185 р. В корзину
Позиция на схеме: 54Артикул: L7T
Быстрый просмотр
Свеча зажигания для двухтактных двигателей (ECHO, Champion, Husqvarna, Partner, Stihl) - L7TЦена 105 р. В корзину Уведомить
Позиция на схеме: 55Артикул: 315030469
Быстрый просмотр
Корпус воздушного фильтра AG352, T438S-2, 528S-2 комплект с фильтром до 2024 г. (аналог см 043153510)Цена 269 р. В корзину
Позиция на схеме: 56Артикул: 043251000
Быстрый просмотр
Карбюратор T433 - T528 - 043251000
Посмотреть аналог
Цена 1 685 р. В корзину
Позиция на схеме: 57Артикул: 02070010073
Быстрый просмотр
Прокладка под карбюратор T433- T528 43/52 куб. см - 02070010073
Посмотреть аналог
Цена 15 р. В корзину
Позиция на схеме: 58Артикул: 31200091
Быстрый просмотр
Накладка крышки цилиндра T438,528 защитнаяЦена 39 р. В корзину
Позиция на схеме: 60Артикул: 043116710
Быстрый просмотр
Прокладка глушителя T433-527 / GC243 / AG243, 243E, 252, 352 см.043216710
Посмотреть аналог
Цена 35 р. В корзину
Позиция на схеме: 61Артикул: 043216100
Быстрый просмотр
Глушитель T433, 523 / T445, 525 / T434, 436, 437, 446, 447, 516, 517, 527 / PS242Цена 469 р. В корзину
Позиция на схеме: 63Артикул: 043214110
Быстрый просмотр
Теплоизолятор карбюратора T433- T528 - 043214110Цена 219 р. В корзину
Позиция на схеме: 64Артикул: 31204110
Быстрый просмотр
Крышка глушителя T438,528Цена 99 р. В корзину
Позиция на схеме: 65Артикул: 02070010473
Быстрый просмотр
Прокладка под теплоизолятор Т434-517, 446, 447, 527 / AG243, 252 / GC243, 243E, PS242 см. 02070010086 / 1700034Цена 35 р. В корзину
Позиция на схеме: 70Артикул: 02110020026
Быстрый просмотр
Пробка топливного бака T233-517 / HT625R, 726R / PP126, GC243, AG243, GP25-II, 26-II / GB226, 326SЦена 155 р. В корзину
Позиция на схеме: 71Артикул: 02050120002
Быстрый просмотр
Фильтр топливный T261-517, 276-527 / PP126 / HT726R / PS226, 227, 257 / GP26-II / AG243, 252 / GC243, B226 / PartnerЦена 65 р. В корзину
Позиция на схеме: 72Артикул: 02080030025
Быстрый просмотр
Уплотнение топливного шланга AG243 AG352 AG364 GB226 GB227 GBV326 GBV327S GC243 GP25 GP26 GP27-II T252 T256 T333 (аналоги артикула см 026156130 см 043254230 см 043154230 см 064154210)Цена 39 р. В корзину
Позиция на схеме: 73Артикул: 61330010039
Быстрый просмотр
Шланг топливный DR230Цена 25 р. Уведомить
Позиция на схеме: 74Артикул: 043141260
Быстрый просмотр
Колпачок свечи зажигания AG352Цена 119 р. В корзину
Позиция на схеме: 75Артикул: 1700034
Быстрый просмотр
Прокладки для мотокос 43 / 52 куб. см комплектЦена 99 р. В корзину
Позиция на схеме: 76Артикул: 1700042
Быстрый просмотр
Ремкомплект карбюратора для мотокос 26, 33, 43, 52 куб. смЦена 225 р. В корзину
Работаем с 2009 года
например, магнето 254
848 товаров в магазине

Колл-центр

ПН-ПТ 10:00 - 18:00
СБ-ВС Выходной


время работы: ПН-ПТ 10:00 - 18:00, СБ-ВС Выходной

Меню

Каталог

Добавьте в корзину

Товар добавлен в корзину!