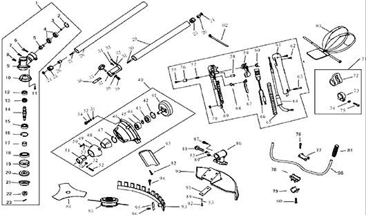
Детали штанги и управления Champion T334FS

Детали штанги и управления Champion T334FS

АртикулФотоНазваниеЦенаКупить
Позиция на схеме: 1Артикул: 61270030015
Быстрый просмотр
Редуктор T334FS (28 мм, 9 зубьев) (см. 1700002)
Посмотреть аналог
Цена 6 109 р. В корзину
Позиция на схеме: 1-2Артикул: 1700002
Быстрый просмотр
Редуктор для мотокос (28 мм, 9 зубьев)
Посмотреть аналог
Цена 795 р. В корзину
Позиция на схеме: 14Артикул: 02020090029
Быстрый просмотр
Вал редуктора T233-517, 276-527 выходнойЦена 215 р. В корзину
Позиция на схеме: 15Артикул: 3090010014
Быстрый просмотр
Подшипник 6002-2RS вала-муфты GP26-II /червячного вала GC243E,252 замена на 04035301003Цена 149 р.
Позиция на схеме: 19Артикул: 02020100021
Быстрый просмотр
Шайба редуктора защитная T334FSЦена 175 р. В корзину
Позиция на схеме: 20Артикул: 2020100004
Быстрый просмотр
Шайба T334FS ножа прижимнаяЦена 117 р.
Позиция на схеме: 21Артикул: 02020160305
Быстрый просмотр
Чашка редуктора T334FS ограничительнаяЦена 145 р. В корзину
Позиция на схеме: 25Артикул: 2080020007
Быстрый просмотр
Амортизатор втулки вала штанги Т334FSЦена 60 р.
Позиция на схеме: 26Артикул: 02040010003
Быстрый просмотр
Втулка вала штанги T233-517, 276-527 / 334FS 8х14х14
Посмотреть аналог
Цена 25 р. Уведомить
Позиция на схеме: 27Артикул: 02020060034
Быстрый просмотр
Вал штанги T233 -T516, 276, 346, 446 / 334FS 703 мм нижнийЦена 305 р. В корзину
Позиция на схеме: 28Артикул: 02010010108
Быстрый просмотр
Штанга нижняя половина T334FS пустаяЦена 675 р. В корзину
Позиция на схеме: 29Артикул: 02010010109
Быстрый просмотр
Штанга верхняя половина T334FS пустаяЦена 985 р. В корзину
Позиция на схеме: 30Артикул: 02020060036
Быстрый просмотр
Вал штанги T276 8х832 мм верхнийЦена 305 р. В корзину
Позиция на схеме: 35Артикул: 70030180089
Быстрый просмотр
Болт соединительной муфты штанги T233-516, 276, 346, 446Цена 155 р. В корзину
Позиция на схеме: 37Артикул: 70070100005
Быстрый просмотр
Муфта соединительная штанги T334FSЦена 485 р. В корзину
Позиция на схеме: 39Артикул: 03060030005
Быстрый просмотр
Фиксатор муфты T233, 262-516, 276, 346, 446Цена 195 р. В корзину
Позиция на схеме: 40Артикул: 61270020034
Быстрый просмотр
Корпус сцепления T334FS в сборе не поставляетсяЦена 1 899 р. Уведомить
Позиция на схеме: 41Артикул: 2020050024
Быстрый просмотр
Барабан сцепления T334FSЦена 315 р.
Позиция на схеме: 64Артикул: 02050040001
Быстрый просмотр
Трос газа T334FS см. 02050040048Цена 115 р. В корзину
Позиция на схеме: 78Артикул: 80010050112
Быстрый просмотр
Кронштейн руля T334FS средний замена на 1700007
Посмотреть аналог
Цена 349 р. Уведомить
Позиция на схеме: 79Артикул: 80010050117
Быстрый просмотр
Кронштейн руля T334FS нижний (замена на 1700007)
Посмотреть аналог
Цена 265 р. Уведомить
Работаем с 2009 года
например, поршень 120T
848 товаров в магазине

Колл-центр

ПН-ПТ 10:00 - 18:00
СБ-ВС Выходной


время работы: ПН-ПТ 10:00 - 18:00, СБ-ВС Выходной

Меню

Каталог

Добавьте в корзину

Товар добавлен в корзину!