Картер Champion G140VK

Картер Champion G140VK

АртикулФотоНазваниеЦенаКупить
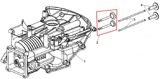
Позиция на схеме: 1Артикул: 110810224-0001
Быстрый просмотр
Картер G140VK D=65 мм 139 ссЦена 3 705 р. Уведомить
Позиция на схеме: 2Артикул: 500550034-0001
Быстрый просмотр
Клапан G140VK, 160VK / BC4401, BC5602, LM4122 комплект 2 шт. замена на 500550071-0001Цена 459 р. Уведомить
Позиция на схеме: 3Артикул: 140670029-0001
Быстрый просмотр
Толкатель клапана G140VK, LM4122 ( штанга )Цена 55 р. В корзину
Позиция на схеме: 4Артикул: 140690002-0001
Быстрый просмотр
Тарелка толкателя клапана G120HK, 140VK, 160H, 160VK, 200VK / ST556, 656, GS5562, CVG424 / BC4401, 5602,Цена 69 р. В корзину
Работаем с 2009 года
например, стартер 254
847 товаров в магазине

Колл-центр

ПН-ПТ 10:00 - 18:00
СБ-ВС Выходной


время работы: ПН-ПТ 10:00 - 18:00, СБ-ВС Выходной

Меню

Каталог

Добавьте в корзину

Товар добавлен в корзину!