Детали инжектора Champion HP6300

Детали инжектора Champion HP6300

АртикулФотоНазваниеЦенаКупить
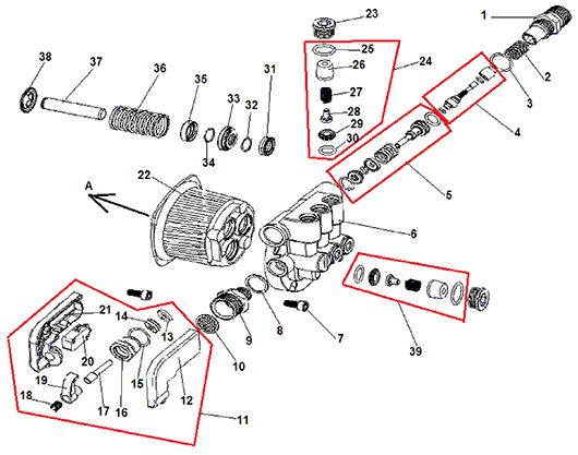
Позиция на схеме: 1Артикул: 5X10053003
Быстрый просмотр
Патрубок выходной HP6300Цена 665 р. Уведомить
Позиция на схеме: 2Артикул: 300700260004
Быстрый просмотр
Пружина патрубка шланга пистолета HP6250, 6300Цена 19 р. Уведомить
Позиция на схеме: 3Артикул: 300500185157
Быстрый просмотр
Кольцо уплотнительное HP6250,6300 патрубка шланга пистолета 22х2,4Цена 19 р. Уведомить
Позиция на схеме: 4Артикул: 5X1000300
Быстрый просмотр
Инжектор HP6300 комплектЦена 76 р. Уведомить
Позиция на схеме: 5Артикул: 5X10002002
Быстрый просмотр
Клапан инжектора HP6250, 6300 комплектЦена 369 р. Уведомить
Позиция на схеме: 6Артикул: 5100644
Быстрый просмотр
Корпус насоса HP6300 сторона клапанов (манжета диаметром 20 мм)Цена 4 055 р. Уведомить
Позиция на схеме: 8Артикул: 300500180030
Быстрый просмотр
Кольцо уплотнительное HP6250,6300 патрубка шланга подачи воды 18х2,4Цена 19 р. Уведомить
Позиция на схеме: 9Артикул: 5103573
Быстрый просмотр
Патрубок входной HP6300Цена 369 р. Уведомить
Позиция на схеме: 22Артикул: 5100649
Быстрый просмотр
Корпус насоса HP6300 сторона поршнейЦена 775 р. Уведомить
Позиция на схеме: 31Артикул: 300500207380
Быстрый просмотр
Сальник поршня HP6300 14х20х5 замена на 300500207380+5103678
Позиция на схеме: 32Артикул: 300500180365
Быстрый просмотр
Кольцо уплотнительное HP6300 корпуса манжеты высокого давления 18х1,9Цена 19 р. Уведомить
Позиция на схеме: 33Артикул: 5104868
Быстрый просмотр
Корпус манжеты высокого давления HP6300 для манжеты D=20 ммЦена 99 р. Уведомить
Позиция на схеме: 34Артикул: 300500180032
Быстрый просмотр
Кольцо уплотнительное HP6250,6300 корпуса манжеты высокого давления 24х1,9Цена 19 р. Уведомить
Позиция на схеме: 35Артикул: 300500230859
Быстрый просмотр
Манжета высокого давления HP6300 14х22х5х7 (см. HP6170-63)
Посмотреть аналог
Цена 35 р. Уведомить
Позиция на схеме: 36Артикул: 300200090001
Быстрый просмотр
Пружина поршня HP6300Цена 19 р. Уведомить
Позиция на схеме: 37Артикул: 300700787576
Быстрый просмотр
Поршень насоса HP6300Цена 185 р. Уведомить
Позиция на схеме: 38Артикул: 300200800844
Быстрый просмотр
Фиксатор поршня HP6300Цена 55 р. Уведомить
Работаем с 2009 года
например, магнето 125T
847 товаров в магазине

Колл-центр

ПН-ПТ 10:00 - 18:00
СБ-ВС Выходной


время работы: ПН-ПТ 10:00 - 18:00, СБ-ВС Выходной

Меню

Каталог

Добавьте в корзину

Товар добавлен в корзину!