Стартёр ручной бензогенератора Champion GG8000E

Стартёр бензогенератора Champion GG8000E

АртикулФотоНазваниеЦенаКупить
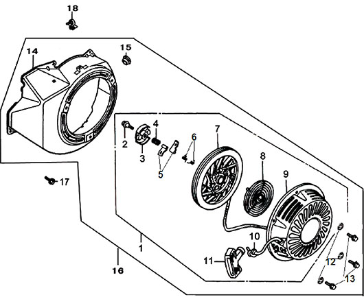
Позиция на схеме: 1Артикул: 193500019-0011
Быстрый просмотр
Стартер ручной в сборе G390 - 193500019-0011Цена 1 439 р. Уведомить
Позиция на схеме: 5Артикул: 193540003-0001
Быстрый просмотр
Собачка стартера G120HK-210HK, 270HK, 390HK / GHP40-2, GP100E, GTP80H, GP100E / GG2500-8000 / ST553Цена 35 р. В корзину
Позиция на схеме: 11Артикул: 193560004-0001
Быстрый просмотр
Ручка стартера G120HK- 420HK - 193560004-0001Цена 125 р. В корзину
Работаем с 2009 года
например, цилиндр 250
847 товаров в магазине

Колл-центр

ПН-ПТ 10:00 - 18:00
СБ-ВС Выходной


время работы: ПН-ПТ 10:00 - 18:00, СБ-ВС Выходной

Меню

Каталог

Добавьте в корзину

Товар добавлен в корзину!