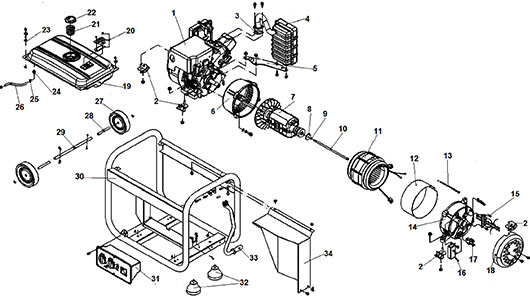
Раздел для покупки и заказа запасных частей и расходных материалов для бензинового генератора Champion GG6000BS. Деталировка в формате PDF для скачивания.
Не нашли нужные детали? Не получается оформить заказ? Напишите запрос на адрес vasb@punzcvba-gbbyf.eh или позвоните по телефону +7(495)150-29-35, мы Вам поможем.
В других разделах нашего сайта Вы сможете подобрать и заказать запчасти для других моделей.















































































