Ремни и шкивы Champion BC5511

Ремни и шкивы Champion BC5511
АртикулФотоНазваниеЦенаКупить
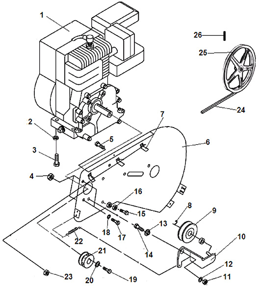
Позиция на схеме: 1Артикул: G160F
Быстрый просмотр
Двигатель 163сс, G160F для BC 6611Цена 15 095 р. Уведомить
Позиция на схеме: 2Артикул: 801022
Быстрый просмотр
Гайка крепления рычага газа BC6611, 6712, 6612H, 7712, 7612H, 8713 / ВС5511, 5512, 5712Цена 35 р. В корзину
Позиция на схеме: 5Артикул: 801024
Быстрый просмотр
Гайка крепления нижней рукоятки BC6611, 6712, 6612H / ВС5511Цена 55 р. В корзину
Позиция на схеме: 6Артикул: 802026
Быстрый просмотр
Суппорт крепления кожуха ремня BC6612, 6712, 7712Цена 1 639 р. В корзину
Позиция на схеме: 7Артикул: 802030
Быстрый просмотр
Скоба ограничительная BC6712, 6612H, 7712, 7612H / ВС551, 5512, 5712Цена 119 р. В корзину
Позиция на схеме: 9Артикул: HY025
Быстрый просмотр
Ролик натяжения ремня BC5511 BC5512 BC5712 переднего хода большой
Посмотреть аналог
Цена 305 р. В корзину
Позиция на схеме: 10Артикул: HY023
Быстрый просмотр
Кронштейн ролика натяжения ремня BC5511, 5512, 5712Цена 349 р. В корзину
Позиция на схеме: 19Артикул: HY015
Быстрый просмотр
Болт крепления шкива к двигателю BC5511, 5512, 5712Цена 45 р. В корзину
Позиция на схеме: 21Артикул: HY014S
Быстрый просмотр
Шкив ремня BC5511 ( двигатель), на два ремня D=19 ммЦена 337 р.
Позиция на схеме: 21Артикул: HY207
Быстрый просмотр
Шкив ремня BC5512, 5712 редукторЦена 1 709 р. В корзину
Позиция на схеме: 22Артикул: 801066
Быстрый просмотр
Пружина кронштейна ролика натяжения ремня переднего хода BC6712, BC6612H, BC7712, BC7612H / ВС5511 - 801066Цена 65 р. В корзину
Позиция на схеме: 24Артикул: HY208
Быстрый просмотр
Ремень привода хода BC5511 BC5512 BC5712 (A-42) (замена на артикул 807006) (выведенный)
Посмотреть аналог
Цена 495 р. Уведомить
Позиция на схеме: 25Артикул: HY240S
Быстрый просмотр
Шкив ремня BC5511 редуктор ( не поставляется см. HY207)
Позиция на схеме: 26Артикул: 801050
Быстрый просмотр
Штифт крепления шкива редуктора BC6611, 6712, 6612H, 7712, 7612H / BC5511, 5712 6х25Цена 39 р. В корзину
Работаем с 2009 года
например, стартер 120T
848 товаров в магазине

Колл-центр

ПН-ПТ 10:00 - 18:00
СБ-ВС Выходной


время работы: ПН-ПТ 10:00 - 18:00, СБ-ВС Выходной

Меню

Каталог

Добавьте в корзину

Товар добавлен в корзину!