Головка цилиндра Champion BC7723/1

Головка цилиндра Champion BC7723/1

АртикулФотоНазваниеЦенаКупить
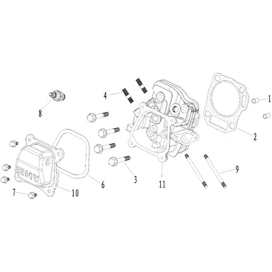
Позиция на схеме: 2Артикул: 3048050400104
Быстрый просмотр
Прокладка головки цилиндра G210HK / GG2000 - 3301 / GP50 - 55, GTP80 - 82 / ST761E D=70мм см. 3048050400100Цена 95 р. В корзину
Позиция на схеме: 6Артикул: 3048020400200
Быстрый просмотр
Прокладка крышки клапанов G100-210H/BC/CH/CVG/GG/GP/GS/GSC/PC/SC/ST/TR с отв.Цена 45 р. В корзину
Позиция на схеме: 8Артикул: F7RTC
Быстрый просмотр
Свеча зажигания IGP F7RTCЦена 145 р. В корзину Уведомить
Позиция на схеме: 10Артикул: DAA003
Быстрый просмотр
Крышка клапанов G200-1HK / G100HK-210HK / ST553, 556, 661, 656, 762E / BC4311, 5512, 5712, 6712, PC5431, 6337FЦена 205 р. В корзину
Позиция на схеме: 11Артикул: DC01A001
Быстрый просмотр
Головка цилиндра G210-1HK, BC8716, IGG3200, 3600, GG3300 ( 2020 ) 7, 5мм см. 3048050400200 / 012030001700
Посмотреть аналог
Цена 2 029 р. В корзину
Работаем с 2009 года
например, магнето 255
847 товаров в магазине

Колл-центр

ПН-ПТ 10:00 - 18:00
СБ-ВС Выходной


время работы: ПН-ПТ 10:00 - 18:00, СБ-ВС Выходной

Меню

Каталог

Добавьте в корзину

Товар добавлен в корзину!