Карбюратор и воздушный фильтр Champion 256

Карбюратор и воздушный фильтр Champion 256

АртикулФотоНазваниеЦенаКупить
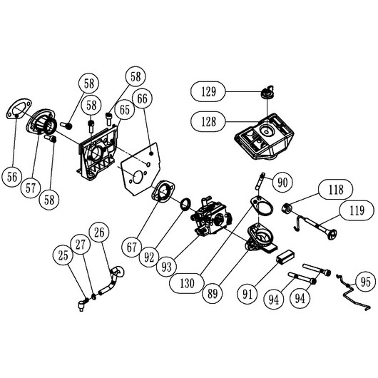
Позиция на схеме: 10Артикул: 1800008
Быстрый просмотр
Ремкомплект карбюратора для китайской бензопилы 3800, 4500 и 5800Цена 175 р. В корзину
Позиция на схеме: 25Артикул: YD4500-18021
Быстрый просмотр
Соединитель угловой импульсного шланга 251,256Цена 35 р. В корзину
Позиция на схеме: 26Артикул: YD4500-18022
Быстрый просмотр
Шланг импульсный 251,256Цена 35 р. В корзину
Позиция на схеме: 56Артикул: 04060303001
Быстрый просмотр
Прокладка под колено карбюратора 55 246 250 251 254 256 350 362 (аналог см 1755118)
Посмотреть аналог
Цена 35 р. В корзину
Позиция на схеме: 57Артикул: 040202003
Быстрый просмотр
Колено карбюратора 350,362 см.4005002303
Посмотреть аналог
Цена 29 р. В корзину
Позиция на схеме: 65Артикул: YD4500-16121
Быстрый просмотр
Теплоизолятор 251,256Цена 195 р. В корзину
Позиция на схеме: 66Артикул: 04060302001
Быстрый просмотр
Прокладка под карбюратор 350,362 см.4005015101
Посмотреть аналог
Цена 35 р. В корзину
Позиция на схеме: 67Артикул: YD4500-16131
Быстрый просмотр
Фланец карбюратора 251,256
Посмотреть аналог
Цена 25 р. Уведомить
Позиция на схеме: 89Артикул: YD4600-16141
Быстрый просмотр
Опора воздушного фильтра 251,256Цена 115 р. В корзину
Позиция на схеме: 92Артикул: 4005004101
Быстрый просмотр
Гильза колена карбюратора 240, 245, 254, 251, 256
Посмотреть аналог
Цена 29 р. Уведомить
Позиция на схеме: 93Артикул: YD6150-18200
Быстрый просмотр
Карбюратор 256 - YD6150-18200Цена 2 285 р. В корзину
Позиция на схеме: 95Артикул: YD46008-24001
Быстрый просмотр
Тяга газа 251,256Цена 35 р. В корзину
Позиция на схеме: 118Артикул: YD4500-24112
Быстрый просмотр
Кольцо уплотнительное рычага воздушной заслонки 251,256Цена 19 р. В корзину
Позиция на схеме: 119Артикул: YD46008-24111
Быстрый просмотр
Рычаг воздушной заслонки 251,256Цена 155 р. В корзину
Позиция на схеме: 128Артикул: YD4500-16211
Быстрый просмотр
Фильтр воздушный 251,256Цена 139 р. В корзину
Позиция на схеме: 129Артикул: YD460011-16302
Быстрый просмотр
Гайка крепления воздушного фильтра 237, 241, 251, 256Цена 35 р. В корзину
Позиция на схеме: 130Артикул: YD46008-162114
Быстрый просмотр
Уплотнение воздушного фильтра 251,256Цена 35 р. В корзину
Работаем с 2009 года
например, магнето 245
848 товаров в магазине

Колл-центр

ПН-ПТ 10:00 - 18:00
СБ-ВС Выходной


время работы: ПН-ПТ 10:00 - 18:00, СБ-ВС Выходной

Меню

Каталог

Добавьте в корзину

Товар добавлен в корзину!