Детали поршневой группы Champion 125T

Детали поршневой группы Champion 125T

АртикулФотоНазваниеЦенаКупить
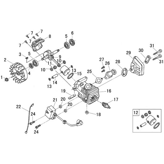
Позиция на схеме: 1Артикул: 5020010800
Быстрый просмотр
Гайка крепления маховика 120T, 125Т, 137, 142, 237, 240, 241, 245, 250, 251, 254, 256, 350, 362, 55 М8x1, 0
Посмотреть аналог
Цена 15 р. Уведомить
Позиция на схеме: 2Артикул: YD2500-15110
Быстрый просмотр
Маховик 125ТЦена 909 р. В корзину
Позиция на схеме: 3Артикул: YD4500-94604
Быстрый просмотр
Шпонка маховика 125, 237, 241, 251, 256 / 137, 142, 55, 250 3х3, 6х9
Посмотреть аналог
Цена 25 р. Уведомить
Позиция на схеме: 4Артикул: YD2500-95011
Быстрый просмотр
Сальник 12х22х5 коленвала 125Т левый, сторона маховика
Посмотреть аналог
Цена 35 р. В корзину
Позиция на схеме: 5Артикул: 03090010028
Быстрый просмотр
Подшипник 6001 коленвала Цена 165 р. В корзину
Позиция на схеме: 6Артикул: YD2500-95012
Быстрый просмотр
Сальник 12х28х6 с буртиком коленвала 120T,125Т правый, сторона сцепленияЦена 49 р. В корзину
Позиция на схеме: 7Артикул: 0404010402357
Быстрый просмотр
Болт крепления цилиндра 125, 137, 142, 237, 241, 246, 55, 250, 251, 256, 350, 362 М5х20 см. 5010080522
Посмотреть аналог
Цена 35 р. В корзину
Позиция на схеме: 8Артикул: YD25002-13109
Быстрый просмотр
Поддон цилиндра 125Т см.17120T013
Посмотреть аналог
Цена 175 р. В корзину
Позиция на схеме: 9Артикул: YD2500-14100
Быстрый просмотр
Коленвал 125ТЦена 1 705 р. В корзину
Позиция на схеме: 11Артикул: YD2500-96111
Быстрый просмотр
Подшипник поршневого пальца 120T 125Т 8x11x9Цена 135 р. В корзину
Позиция на схеме: 12Артикул: YD2500-14211
Быстрый просмотр
Поршень 125Т в сборе 34 мм (см. 17120T004)
Посмотреть аналог
Цена 1 025 р. В корзину
Позиция на схеме: 15Артикул: YD2500-14311
Быстрый просмотр
Кольцо поршневое 125Т 34x1,5 ммЦена 89 р. В корзину
Позиция на схеме: 16Артикул: YD25002-12111
Быстрый просмотр
Цилиндр 125ТЦена 1 705 р. В корзину
Позиция на схеме: 17Артикул: L8RT
Быстрый просмотр
Свеча зажигания IGP L8RTЦена 130 р. В корзину
Позиция на схеме: 21Артикул: YD2500-26110
Быстрый просмотр
Магнето 120T,125Т
Посмотреть аналог
Цена 1 065 р. В корзину
Позиция на схеме: 25Артикул: YD25002-16001
Быстрый просмотр
Прокладка под колено карбюратора 125ТЦена 45 р. В корзину
Позиция на схеме: 26Артикул: YD2500-16111
Быстрый просмотр
Колено карбюратора 125ТЦена 65 р. Уведомить
Позиция на схеме: 28Артикул: YD2500-21001
Быстрый просмотр
Прокладка глушителя 125ТЦена 35 р. В корзину
Позиция на схеме: 29Артикул: YD2500-21110
Быстрый просмотр
Глушитель 125Т
Посмотреть аналог
Цена 445 р. В корзину
Позиция на схеме: 30Артикул: YD2500-21101
Быстрый просмотр
Прокладка болтов крепления глушителя 125ТЦена 35 р. В корзину
Работаем с 2009 года
например, поршень 255
848 товаров в магазине

Колл-центр

ПН-ПТ 10:00 - 18:00
СБ-ВС Выходной


время работы: ПН-ПТ 10:00 - 18:00, СБ-ВС Выходной

Меню

Каталог

Добавьте в корзину

Товар добавлен в корзину!